Страница 1 от 1
Задна светлина за мъгла - Corolla Verso AR10 2.2 D4D 2007
Публикувано на: 29 Ное 2019 12:34
от CHECHEV
Здравейте колеги,
Тази седмица установих, че задната светлина за мъгла не свети...всички останали светлини работят...
Първо проверих крушката - здрава е, след това бушона и той е здрав...
Някой има ли идея защо не свети и от къде може да е проблема? Няма нагоряли букси...
Благодаря
Задна светлина за мъгла - Corolla Verso AR10 2.2 D4D 2007
Публикувано на: 29 Ное 2019 14:50
от tora
Светила ли е някога? Индикатора в таблото реагира ли?
Задна светлина за мъгла - Corolla Verso AR10 2.2 D4D 2007
Публикувано на: 02 Дек 2019 11:04
от CHECHEV
Да, работеше си...индикатора на таблото също свети...
Задна светлина за мъгла - Corolla Verso AR10 2.2 D4D 2007
Публикувано на: 02 Дек 2019 11:17
от gimara
CHECHEV написа: ↑29 Ное 2019 12:34
Първо проверих крушката - здрава е, след това бушона и той е здрав...
Има и реле. Намира се зад климатроника.
► Виж съдържание

- ScreenShot063.jpg (173.91 KiB) Преглеждано 5761 пъти
Задна светлина за мъгла - Corolla Verso AR10 2.2 D4D 2007
Публикувано на: 02 Дек 2019 13:15
от CHECHEV
Как се стига до това реле?
Задна светлина за мъгла - Corolla Verso AR10 2.2 D4D 2007
Публикувано на: 02 Дек 2019 13:37
от gimara

- P1090890.JPG (75.07 KiB) Преглеждано 5741 пъти
CHECHEV написа: ↑02 Дек 2019 11:04
индикатора на таблото също свети...
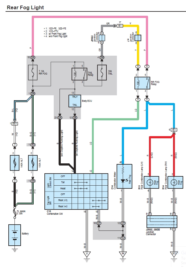
Щом свети лампата на таблото, значи работи релето. Гледай внимателно схемата.
Задна светлина за мъгла - Corolla Verso AR10 2.2 D4D 2007
Публикувано на: 02 Дек 2019 13:38
от CHECHEV
Ей, супер! Благодаря за информацията. Ще сподеря като стигна до релето!
Задна светлина за мъгла - Corolla Verso AR10 2.2 D4D 2007
Публикувано на: 03 Дек 2019 18:07
от jerryyyyy
При мен на авенсиса е по същия начин, ще чакам да споделиш мнение как си решил проблема

Задна светлина за мъгла - Corolla Verso AR10 2.2 D4D 2007
Публикувано на: 03 Дек 2019 18:19
от Оги
CHECHEV написа: ↑29 Ное 2019 12:34...идея защо не свети и от къде може да е проблема? Няма нагоряли букси...
Първо провери за прекъсване в крушката, което може и да не се вижда, също за окиси по контактите на крушката и фасонката /патина/.
Задна светлина за мъгла - Corolla Verso AR10 2.2 D4D 2007
Публикувано на: 21 Мар 2020 14:47
от CHECHEV
Здравейте колеги. Сега намерих време да се занимая с проблема, то при тази изолация...
Ами на кратко - проверих всичко възможно, разглобих таблото и стигнах до въпросните релета. Преди време купих едно реле от същия вид, направих проби като заменях въпросните релета с новото, на за съжаление резултата е същия - лампата не свети...
Проверих още веднъж бушона, който се намира отстрани на кората на таблото от шофьорската страна, но и той е здрав. Проверих крушката, смених я с нова, но пак същото. Не видях нагари по клеми и букси, няма прекъснати кабели при буксите...
Вече не се сещам от къде може да е проблема....
Ако някой има друга идея, нека сподели.
Пазете се и бъдете здрави!!!
Задна светлина за мъгла - Corolla Verso AR10 2.2 D4D 2007
Публикувано на: 21 Мар 2020 19:59
от slowtraveler
A изпълняваш ли правилно процедурата - т.е. да си на къси светлини (за габарити не съм сигурен) докато се опитваш да пуснеш задната светлина за мъгла?
И съответно - тя се самоизключва при изгасване на двигателя, като за последваща активация отново трябва да се завърти ключа и (в това положение е без задържане)...
Задна светлина за мъгла - Corolla Verso AR10 2.2 D4D 2007
Публикувано на: 21 Мар 2020 21:54
от mapamop
Мултиметъра/Мултицета/УредЪТ какво казва за волтажа във фасунгата при пусната светлина за мъгла?
Мисля че плюса беше отвън/по цокъла на крушката, а минуса е вътре на "пъпката" на крушката. Ако са две вътрешните пластинки ще трябва да налучкаш коя е за "мъглата".
При мен не светеше бялата светлина за задната скорост. Оказа се че трябва да си изчистя патината по пластините, и да натегна вътрешната пластинка да притисне хубаво към крушката.
И да си отстраня теча на вода във стоповете....
Като цяло се надявам да е "някаква дребна глупост", обаче ще ти скъса нервите преди това.
Задна светлина за мъгла - Corolla Verso AR10 2.2 D4D 2007
Публикувано на: 22 Мар 2020 15:42
от homie
Записвам се да следя темата, защото скоро установих, че тази лампа, както и лампата в багажното отделение, не светят. За Авенсис комби говоря.
Сменях лампата в багажника, но явно по веригата е проблема.
За лампата за мъгла, пробвах с нова, не. Мерих напрежението, показваше някаква малка стойност, мисля беше <1V, но не е 0.
Задна светлина за мъгла - Corolla Verso AR10 2.2 D4D 2007
Публикувано на: 22 Мар 2020 18:19
от mapamop
Някой от вас двамата да има теглич?
Тема:
https://www.toyotaownersclub.com/forums ... t-missing/
Кабелите за осветлението в багажника стигат до лявата колонка между предната и задната врата. Схема с окабеляването на Авенсис Т25: