Страница 1 от 1
Нямам халогени авенсис т25. 2007
Публикувано на: 22 Фев 2025 17:01
от suzuki600
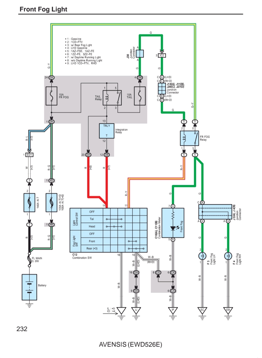
Здравейте,проблема е ,че не светят халогените бушона е здрав и крушките и те са здраве каде може да е проблема
Нямам халогени авенсис т25. 2007
Публикувано на: 22 Фев 2025 17:12
от gimara
suzuki600 написа: ↑22 Фев 2025 17:01
каде може да е проблема
Реле, ключ. Как спряха да светят, светили ли са някога, нещо правено ли по колата преди да спрат да светят?
Нямам халогени авенсис т25. 2007
Публикувано на: 22 Фев 2025 18:46
от WoLF
Проследи ток дали идва до фасунгите или го е хванала липсата, както точките и запетайките...
Нямам халогени авенсис т25. 2007
Публикувано на: 22 Фев 2025 20:32
от Akima
Опитът показва, че 1 оем к-т стига за 20+ години морски мъгли.
Явно има удар или не се спазва ЗДвП.
Нямам халогени авенсис т25. 2007
Публикувано на: 27 Фев 2025 12:34
от suzuki600
Релето е проверене,здраво е и няма ток до крушките .
Нямам халогени авенсис т25. 2007
Публикувано на: 27 Фев 2025 13:01
от gimara

- IMG_20250227_130056.jpg (202.03 KiB) Преглеждано 5795 пъти