Страница 1 от 2
Грешка С 1249 Авенсис Т 25
Публикувано на: 05 Фев 2018 16:31
от Maxi
Имам следният проблем светят ABS VSC TRC off, грешката е С 1249, абс-ът не работи, при натискане на педала на спирачката задните стопове не светят!
Акумулаторът е нов на около месец.
Благодаря!
Колчето(Brake light switch ) е сменено, без промяна, задните крушки са ок.
Грешка С 1249 Авенсис Т 25
Публикувано на: 05 Фев 2018 18:22
от Freedom
C1249 - Brake Light Switch Circuit Malfunction
Търси проблема във включвателя или окабеляването. Предпазителя здрав ли е?

- StopLight.jpg (86.07 KiB) Преглеждано 10162 пъти
Грешка С 1249 Авенсис Т 25
Публикувано на: 05 Фев 2018 20:55
от extory
С каква част смени втора употреба или нова?
Грешка С 1249 Авенсис Т 25
Публикувано на: 06 Фев 2018 08:46
от Maxi
нFreedom, extory, да, нова е частта, изглежда, че е ок предпазителят. Средният стоп свети, преди не светеше, а задните не светят, странно.
Но нямам абс..
Грешка С 1249 Авенсис Т 25
Публикувано на: 06 Фев 2018 11:25
от Freedom
Виж дали има напрежение на щекерите:

- Stop1.jpg (113.07 KiB) Преглеждано 10112 пъти
Грешка С 1249 Авенсис Т 25
Публикувано на: 07 Фев 2018 11:24
от Maxi
Freedom, да, има. Четох, че при лекусите изкачала тази грешка имало TSB за подмяна на дефектна стоп-машинка, но не съм с лексус:)
Лампите са проверени, бушони, но не светят задните стопове и тва си е....
Грешка С 1249 Авенсис Т 25
Публикувано на: 07 Фев 2018 11:43
от slowtraveler
Добре де, ключето провери ли го?
Грешка С 1249 Авенсис Т 25
Публикувано на: 07 Фев 2018 12:08
от Scott
Maxi написа:Лампите са проверени, бушони, но не светят задните стопове и тва си е....
А масата към задните фарове провери ли?
Грешка С 1249 Авенсис Т 25
Публикувано на: 07 Фев 2018 12:50
от Freedom
Проверил си с пробна лампа, че на DL/2 пин отива захранване?
Грешка С 1249 Авенсис Т 25
Публикувано на: 08 Фев 2018 09:16
от Maxi
Колеги, оказа се окислена букса, проблемът е решен.
Грешка С 1249 Авенсис Т 25
Публикувано на: 08 Фев 2018 10:12
от Freedom
За това говорехме. Когато проверяваш за напрежение с мултицет има вероятност да пропуснеш слаба връзка. С пробна лампа шансовете за диагностика се увеличават, макар че и е малък товара.
Грешка С 1249 Авенсис Т 25
Публикувано на: 27 Ное 2018 22:50
от Deadgame
Колега моля ти се кажи коя е тази букса защото имам абсолютно същия проблем и как да го реша,благодаря предварително!
Грешка С 1249 Авенсис Т 25
Публикувано на: 13 Дек 2018 13:02
от Daltaders
Здравейте,имам същият проблем ,коя е тази окислена букса
Грешка С 1249 Авенсис Т 25
Публикувано на: 14 Дек 2018 10:27
от Cealtex
Daltaders написа: ↑13 Дек 2018 13:02
Здравейте,имам същият проблем ,коя е тази окислена букса
Колеги (включително и Deadgame), препоръчвам Ви да пишете по едно лично съобщение на колегата Maxi, че:
Последно активен:02 юли 2018 10:00
Така поне системата ще му се прати личен мейл, че има лично съобщение и има малко по-голям шанс да се получи и най-накрая очаквания отговор за окислената букса

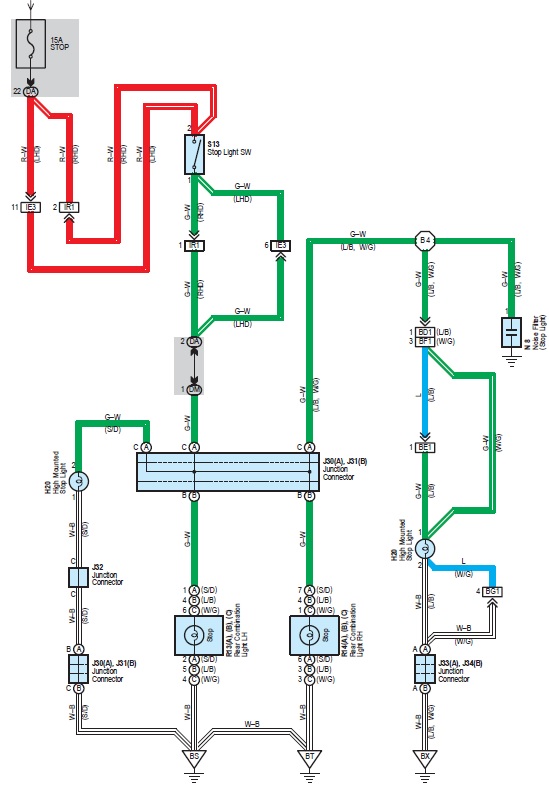
Грешка С 1249 Авенсис Т 25
Публикувано на: 15 Дек 2018 11:52
от Freedom
Като гледам схемата по-горе би трябвало проблемен да е J30-J31:

- 0821-1.jpg (153.63 KiB) Преглеждано 9762 пъти