Страница 43 от 66
Дневни светлини за Toyota - DRL модули,схеми,LED светлини...
Публикувано на: 18 Апр 2018 14:17
от slowtraveler
Така е, но теоретично я мъчи старта с големия пусков ток...
Та затова изрично споменах факта, че тези 100х.км са предимно градски и то на кратки разстояния...
Което е най-неприятния старт/стоп режим за ксеноновата крушка и въпреки това не съм имал каквито и да е проблеми...
Колата си дойде така със заводски DRL, който стартира предните къси ксенонови светлини (без предни и задни габарити и т.н.)... При мръкване/тъмно, само включваше и габаритите и коригираше вътрешното осветление... Всичко законно - никой не може да ти направи какъвто и да е проблем...
За други пазари същата кола си бе с друг модул за управление на светлините без DRL и там светлините се пускат и спират само според осветлението...
Дневни светлини за Toyota - DRL модули,схеми,LED светлини...
Публикувано на: 18 Апр 2018 17:39
от biro
slowtraveler написа: ...
Та не разбирам каква е икономията и каква въобще е целта да се прави закононарушение заради самото такова...
На Т25 не се вижда нищо по таблото и бутоните ако в светъл ден са включени къси или габарити.
Дневни светлини за Toyota - DRL модули,схеми,LED светлини...
Публикувано на: 18 Апр 2018 17:41
от slowtraveler
biro, констатацията ти показва, че трябва да се бориш с осветлението на таблото, а не със светлините...
Дневни светлини за Toyota - DRL модули,схеми,LED светлини...
Публикувано на: 18 Апр 2018 19:19
от biro
Не става, борил съм се. Дори да успея да увелича яркостта, пак не е достатъчно да се види скоростомера на слънце. Но пък нощем е прекалено ярко. По 2 пъти на ден ли да сменям яркост? А какво правим с диодчетата на бутоните на централната конзола за климатик, рециркулация и т.н.? Те не се влияят от яркостта на таблото, но не се виждат на включени фарове през деня. Много трудно се шофира взирайки се в тези трудно различими контроли.
Нищо лошо няма в дълги на 30% тествал съм го лично. Има автомобили с фабрични такива дневни светлини % на дългите.
Дневни светлини за Toyota - DRL модули,схеми,LED светлини...
Публикувано на: 18 Апр 2018 19:39
от gimara
biro написа: На Т25 не се вижда нищо по таблото и бутоните ако в светъл ден са включени къси или габарити.
biro написа: Но пък нощем е прекалено ярко. По 2 пъти на ден ли да сменям яркост?
biro написа: Те не се влияят от яркостта на таблото, но не се виждат на включени фарове през деня.
biro написа:Не става, борил съм се.
Не си се борил достатъчно. Всичко е точно така, както казваш, но аз въпроса го реших с едно реленце и един диод за 2 лева.
Каква е идеята: TAIL релето пуска габаритите и подсветката на бутоните. Прекъсва се кабела за подсветката и се включва прекъснатият кабел на контактите на релето. Релето се командва от лоста на волана за фаровете. Когато DRL модула включи релето за фаровете, то от своя страна пуска TAIL релето, което пък включва габаритите. Но подсветката на бутоните не е включена. Това ще стане, като се врътне лоста и щракне релето.
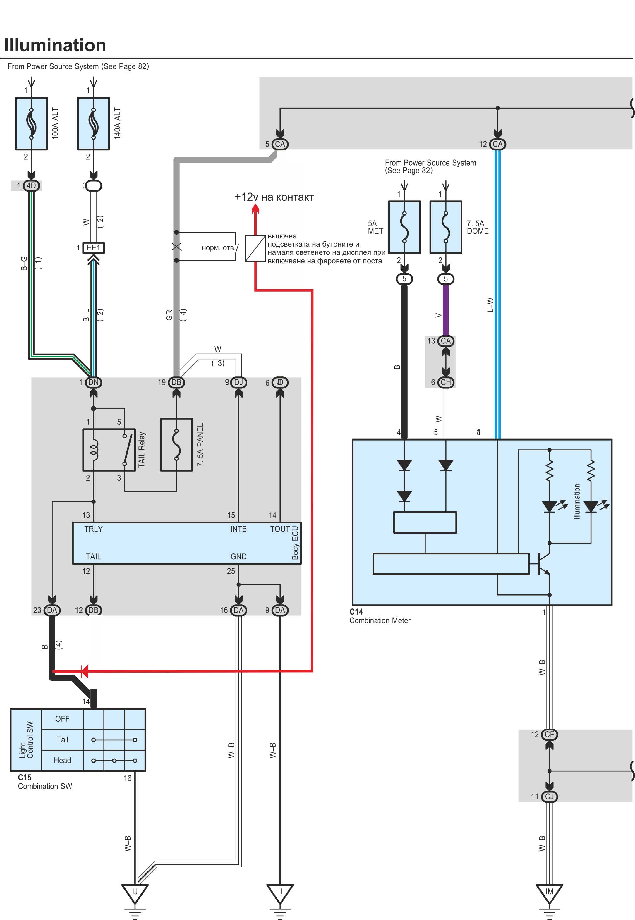
Схемата за Корола Версо 2004-2009 е в спойлера. На Авенсис няма да е по-различно предполагам.
► Виж съдържание

- Илюминации.jpg (300.8 KiB) Преглеждано 5951 пъти
Ето и къде се намира въпросното кабелче:
► Виж съдържание

- Куплунг DB.jpg (278.91 KiB) Преглеждано 5945 пъти
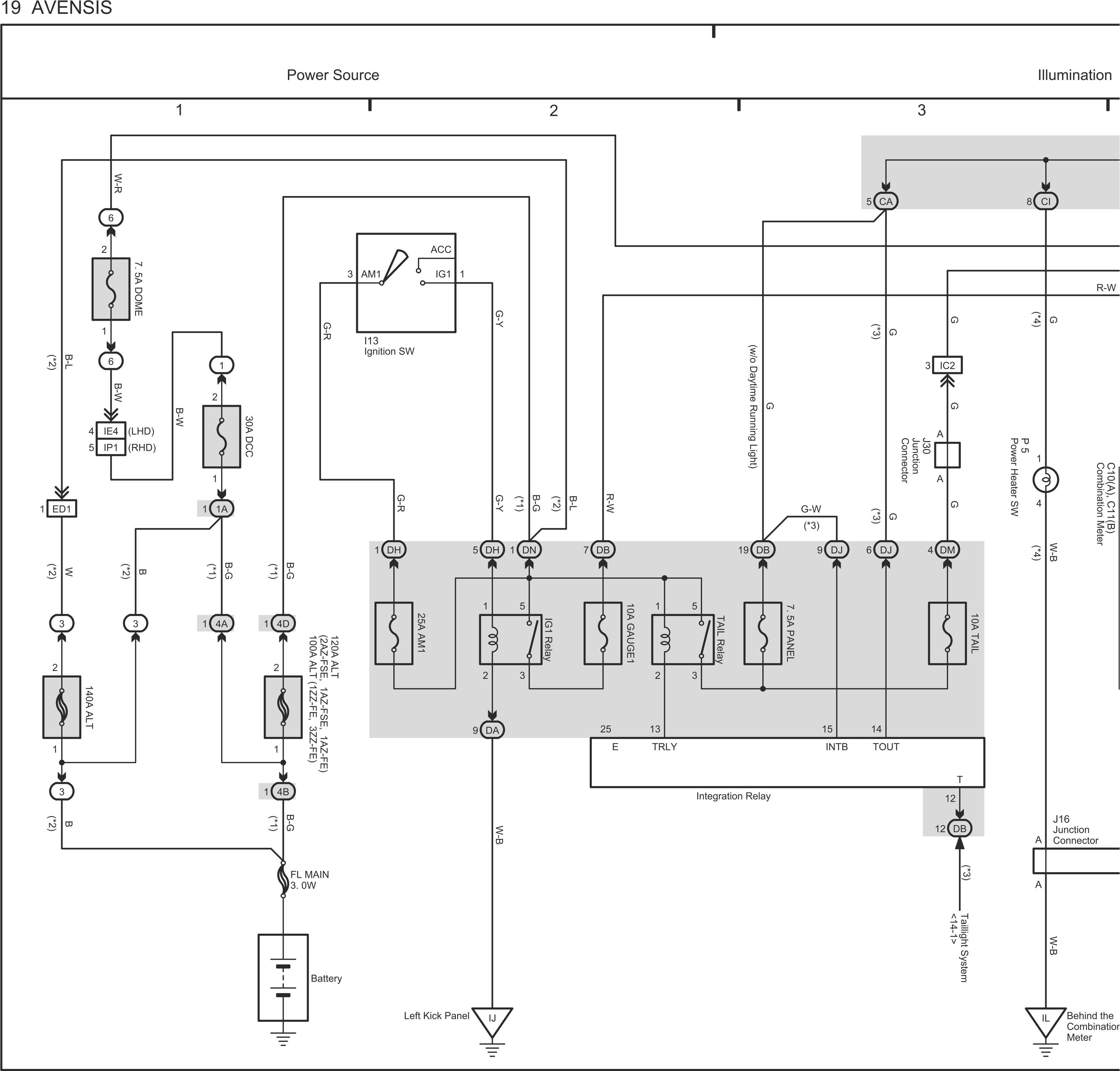
Една бърза справка показва, че и при Авенсис 2005 е същото:
► Виж съдържание

- АВЕНСИС 1.jpg (406.44 KiB) Преглеждано 5941 пъти
► Виж съдържание

- Куплунг DB Авенсис.jpg (429.53 KiB) Преглеждано 5941 пъти
Дневни светлини за Toyota - DRL модули,схеми,LED светлини...
Публикувано на: 18 Апр 2018 20:29
от slowtraveler
Имах предвид точно решение, подобно на това на gimara...
Дисплея очаква сигнал 'светло/тъмно', и чак след това ако е получил сигнал 'тъмно' решава с колко да го димира...
Изпратиш ли му сигнал 'светло', дори и фаровете да са светнали - дисплея ще е светъл

Дневни светлини за Toyota - DRL модули,схеми,LED светлини...
Публикувано на: 18 Апр 2018 21:42
от peterhr
Аз също си мисля, че светването на определен % на дългите е по-правилното решение. Вместо да се борим с изключване на сигнала към подсветката в купето, по-добре да светят дългите на малък %. Както каза и biro, има доста модели, които ползват точно такова решение. И то оригинално заводско. Не виждам проблем, защо да не се ползва aftermarket такова решение, пък било то и на ръба на закона. Стига да не пречи на останалите участници и да се вижда нормално.
Аз лично съм фен на светодиодите и винаги бих ползвал LED. Плюс това предпочитам да свети и нещо отзад. И сега съм реализирал нещо подобно.
Да, може би отпред и отзад светейки, така ще се доближи до Вашата идея за къси + габарити. Но аз лично не одобрявам светенето на къси през деня.
Дневни светлини за Toyota - DRL модули,схеми,LED светлини...
Публикувано на: 18 Апр 2018 21:54
от gimara
peterhr написа:Вместо да се борим с изключване на сигнала към подсветката в купето, по-добре да светят дългите на малък %
Законодателят е казал да караме на къси, него не го интересува как ще си ги включваме.
peterhr написа: Но аз лично не одобрявам светенето на къси през деня.
slowtraveler написа: И после се чудим, защо нещата не вървят в България... Всеки следващ смята, че е нещо нормално да нарушава закона, пък после мърмори що е зле положението ...
Одобряваме или не, има правила, които трябва да се спазват. Щото някои например не одобряват даването на мигач при маневра, други не одобряват спирането на червен светофар и т.н. и т.н.
Дневни светлини за Toyota - DRL модули,схеми,LED светлини...
Публикувано на: 18 Апр 2018 22:05
от peterhr
Е, чак пък сравнение със червен светофар...
Затова в закона е казано - дневни светлини. И аз искам да карам на "дневни", а не на къси. То е въпрос на личен избор. Пак казвам, аз съм фен на светодиодите и навсякъде имам само светодиоди. От повече от 10 години съм карал колите си със светодиоди. Дори и вкъщи съм подменил 90% от осветлението.
Сега малко да отклоня вниманието но пак на тема светлини. За моя модел Корола, се оказва че светодиодите за DRL светят много силно, даже може би по-силно, отколкото е нужно. Зад тях, или малко над тях се намира мигача. А той е с много малък рефлектор. И реално, когато свети мигача, светодиодите пречат да се види добре мигача. Ако човек се загледа, да вижда се. Но на всички останали модели коли се вижда МНОГО по-лесно. При мен не се вижда. Но Тойота така са решили. Дали това е добре - според мен - НЕ. Според Тойота - ДА. На много други марки коли, DRL светват по-слабо, докато мига мигач. Но в моята Корола - НЕ, защото явно е скъпо решение да светва по-слабо DRL-то. Обаче това понеже е заводски - значи всичко е наред. Та приказката е "на вкус и цвет товарищей нет".

Дневни светлини за Toyota - DRL модули,схеми,LED светлини...
Публикувано на: 18 Апр 2018 22:13
от gimara
(3) (Изм. - ДВ, бр. 61 от 2006 г., изм. - ДВ, бр. 60 от 2012 г., в сила от 07.08.2012 г.) През деня моторните превозни средства се движат с включени светлини за движение през деня или с къси светлини.
Който има дневни да кара на дневни, който няма да кара на къси. Щото тия дето са със синкави LED ленти и те си мислят, че карат на дневни.
peterhr написа: Та приказката е "на вкус и цвет товарищей нет".
Приказката е, че контрола е почти нулев, иначе ще си уеднаквим много бързо вкусовете.
Дневни светлини за Toyota - DRL модули,схеми,LED светлини...
Публикувано на: 18 Апр 2018 23:22
от dimkaraganchev
Е. с реленца и диодчета е къде-къде по-добре.

Междо другото, това не е ли промяна в конструкцията...

Дневни светлини за Toyota - DRL модули,схеми,LED светлини...
Публикувано на: 19 Апр 2018 01:17
от slowtraveler
peterhr написа: Както каза и biro, има доста модели, които ползват точно такова решение. И то оригинално заводско.
Въпреки, че може да бъде сертифицирано, бих казал, че такова решение е изключение... И то голямо...
Защо?
Сертифицирането на една светлина не е толкова лесно.
Какви са вариантите? Първият- поставяне на сертифициран светоизточник - например 25W крушка или подходящ LED в конкретен фар и измерването на осветеността в дадените точки ще ти даде сертифициран DRL..
Вторият - автоматичното включване на късите - също, и то без нужда от сертифициране на фара.
Ако използваш рефлектора на дългите, трябва да сертифицираш и управлението на фара, за да си сигурен, че винаги крушката ще отдава нужната осветеност... Което е доста по-сложно - сертифицираш не само фар, но и управлението му...
А за мигача - не е заради цената(при мен DRL директно гасне от тази страна при пуснат мигач)... За съжаление и при Лексъса с 'бягащата' светлина на мигача забелязах този ефект - 'маскира' се от DRL...
Обаче бъркаш в изводите ...
peterhr написа: Обаче това понеже е заводски - значи всичко е наред.
Не е така... Заводът е длъжен да се съобрази с правилата и го прави. Затова всичко е наред, защото отговаря на правилата, а не защото го е направил завода...
Ако ти си направиш DRL на дългите и го сертифицираш - никой няма да ти прави проблем.
То това е сертификацията - да докажеш, че отговаряш на правилата. И така да избегнеш точно това, че 'на вкус и цвет товарищей нет - един решил, че той разбира повече от производителя, и DRL не трябва например да е 20% от дългите, а трябва да е 30%, че да се вижда по - добре... Друг решил друго - и настава анархия'...
Дневни светлини за Toyota - DRL модули,схеми,LED светлини...
Публикувано на: 02 Май 2018 16:28
от Dragoev
Четох много в темата ,но така и неразбрах на коли ,които нямат фабрични дневни какво да се направи? Аз си сложих на другият ми автомобил DLR на стъклото на който им пише Е4 и досега никога не съм имаш проблеми с полицията.
Дневни светлини за Toyota - DRL модули,схеми,LED светлини...
Публикувано на: 04 Май 2018 15:57
от ivandeb1355
Здравейте
Имам авенсис т 27 и фаровете а с дневни светлини Проблема е че при пускане на ауто нищо не свети Когато закрия датчика за светлината светва ксенона проверих бушоните и всички са изправни
някакви идеи от къде може да е проблема
Дневни светлини за Toyota - DRL модули,схеми,LED светлини...
Публикувано на: 10 Май 2018 07:47
от longoza
Здравейте колеги. Харесал съм си едни DRL :
https://www.eldibg.com/drl-daytime-runn ... -drl-16-1w
Колата ми е Corolla 1,4 D4D 2007 г. Гледам че пасват в едни отвори в двата края на бронята. Въпросът ми е от къде ще е най-добре да взема ток за захранване от контакт? Имат и кабел за свързване с габарити,токът на който ги изгася.