Страница 3 от 3
Крушки купе бяла светлина Корола Е12
Публикувано на: 18 Окт 2019 10:20
от mapamop
Друго имах предвид:
Лумените в повече или по-малко няма да убият релето и/или бушона, обаче по-голямата консумация или пределно ниско съпротивление ще го умъртвят. Та за лумените - колкото толкова, по преценка на водача

Крушки купе бяла светлина Корола Е12
Публикувано на: 18 Окт 2019 17:52
от Кръстинко
В никакъв случай не бих превишил мощността на оригиналната крушка, точно обратното.
В крайна сметка май ще се откажа от идеята с лентата и ще сложа готова LED крушка, нещо такова:
http://elimex.bg/product/139231/avtomob ... -36mm.html
60 лумена, мощност не пише, но пише "консумация на ток - 100 mA", което ще рече 1.2W
Лошото е, че тези всички са поне 6000 К (има и нагоре), а аз предпочитам 4000 К.
mapamop,
учудвам се какви мощности ми даваш на твоите крушки - 5W на "големите" и 1.2W на "малките". Аз на "голямата", т. е. централния плафон, не мога да видя, но "малките" - двете над огледалото, които се включват ръчно, са по 8W.
Крушки купе бяла светлина Корола Е12
Публикувано на: 18 Окт 2019 18:32
от gimara
Кръстинко написа: ↑18 Окт 2019 17:52
Лошото е, че тези всички са поне 6000 К (има и нагоре), а аз предпочитам 4000 К.
Osram имат 4000к, и са с гаранция 3-5 год.
Крушки купе бяла светлина Корола Е12
Публикувано на: 18 Окт 2019 18:37
от gimara
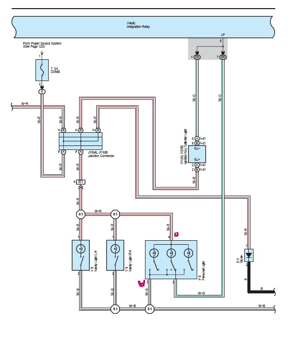
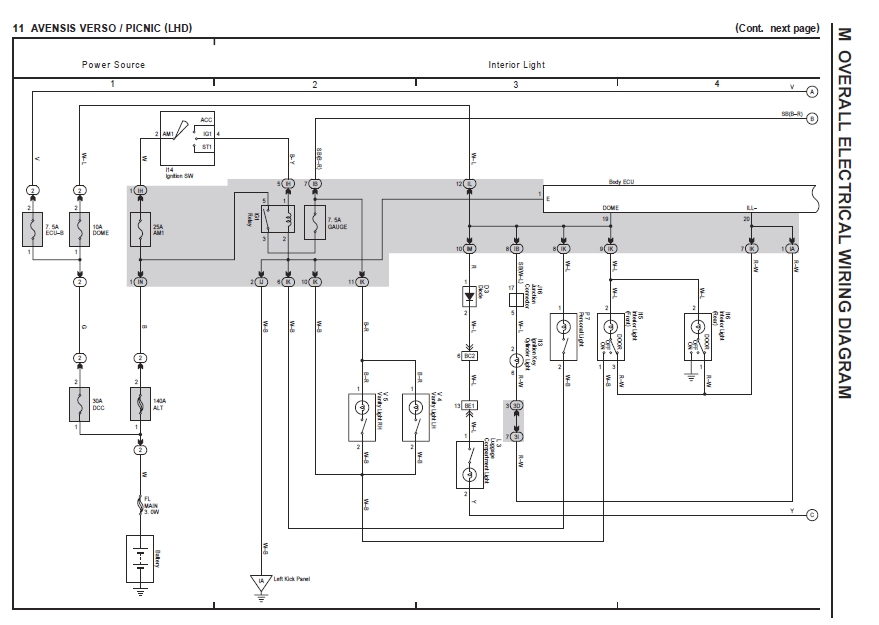
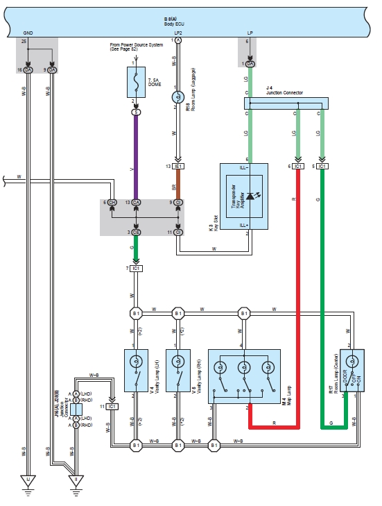
Качвам малко схеми на управлението на плафона:
AVENSIS T25
► Виж съдържание

- Avensis T25.jpg (156.14 KiB) Преглеждано 2796 пъти
AVENSIS T27
► Виж съдържание

- Avensis T27.jpg (63.52 KiB) Преглеждано 2796 пъти
AVENSIS VERSO
► Виж съдържание

- Avensis Verso .jpg (163.97 KiB) Преглеждано 2796 пъти
COROLLA VERSO 2004-2009
► Виж съдържание

- Cor.Verso.jpg (130.35 KiB) Преглеждано 2796 пъти
VERSO
► Виж съдържание

- Verso.jpg (117.51 KiB) Преглеждано 2796 пъти
COROLLA, не знам до коя година, може би до 2008
► Виж съдържание

- coroola24.jpg (61.03 KiB) Преглеждано 2796 пъти
Крушки купе бяла светлина Корола Е12 и други
Публикувано на: 18 Окт 2019 21:10
от mapamop
Кръстинко написа: ↑18 Окт 2019 17:52
учудвам се какви мощности ми даваш на твоите крушки - 5W на "големите" и 1.2W на "малките". Аз на "голямата", т. е. централния плафон, не мога да видя, но "малките" - двете над огледалото, които се включват ръчно, са по 8W.
Аз имам в плафона 3 крушки мисля по 35 или 39мм които са по 5 вата - една вляво, една вдясно (reading lights) и една за плафона посредата, около задните седалки имам втори плафон с 2 крушки не помня какъв размер, но са от сорта на тези в предният плафон. Като си сваля двата сенника отзад зад пластмасови капачета има огледало и 2 или 4 крушки около него, които са без фасунга и са по 1.2W.
** Ако си обърнал внимание на подписа и/или на профила, карам
Toyota Avensis T25 комби. Което няма много общо с
Toyota Corolla Е12 
Крушки купе бяла светлина Корола Е12 и други
Публикувано на: 18 Окт 2019 21:51
от Кръстинко
mapamop написа: ↑18 Окт 2019 21:10
Ако си обърнал внимание на подписа и/или на профила, карам Toyota Avensis T25 комби.
Обърнах, но никога не съм виждал такава отвътре

Крушки купе бяла светлина Корола Е12 и други
Публикувано на: 18 Окт 2019 22:01
от mapamop
Ами вероятно като Королата, само че малко по-голямо. Гледам че си от В.Търново, някой ден като се наканим със останалата част от семейството да се разходим до Търново, може да се повозим на разменни начала. Това по линия на въпроса от съпругата ми "Какво е Тойота Корола, и защо има такива на които пише Verso и на такива които не пише?
Ето снимки/картинки на крушките по 1.2W (наистина са доста "нюню"):
Type #74 bulb:

- bulbs-1.jpg (29.91 KiB) Преглеждано 2759 пъти

- 74_bulb_cit_wm.jpg (13.79 KiB) Преглеждано 2759 пъти
Крушки купе бяла светлина Корола Е12 и други
Публикувано на: 18 Окт 2019 23:02
от Кръстинко
Да, очевидно авенсиса е по-модерната кола.
А иначе - заповядайте, ще ми е приятно да се запознаем. Аз имам приятели и роднини в Русе, но за мой срам вече година и половина не съм го посещавал.